3000LPH EDI Module Electrodeionization System for pure water
This EDI Modular with capacity of 3000LPH is a continuous, chemical-free process of removing ionized and ionizable species from feedwater using DC Power to provide ultrapure water that the resisitivity above 15 MΩ.cm, apply for pharmaceutical , biotechnology, electronic conductor industries and so on. EDI is typically used to polish reverse Osmosis (RO ) permeate, and is a smart alternative to- and effective replacement of- conventional mixed bed ion exchange(IX). 
EDI Stacks Specification
EDI System Feed Water Specifications:
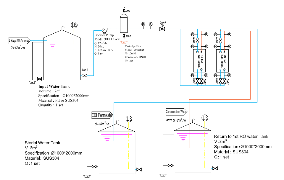
EDI Modular treatment Process:

The EDI Modular has many advantages:
* Remove expensive and hazardous chemicals used in ion-exchange resin regeneration
* Save energy and operating cost
* Low facility size requirement



