5000L EDI Stacks EDI Modular Electrodeionization
This EDI Modular with capacity of 5000LPH is a continuous, chemical-free process of removing ionized and ionizable species from feedwater using DC Power to provide ultrapure water that the resisitivity above 15 MΩ.cm, apply for pharmaceutical , biotechnology, electronic conductor industries and so on. EDI is typically used to polish reverse Osmosis (RO ) permeate, and is a smart alternative to- and effective replacement of- conventional mixed bed ion exchange(IX). 
EDI Stacks Specification
EDI System Feed Water Specifications:
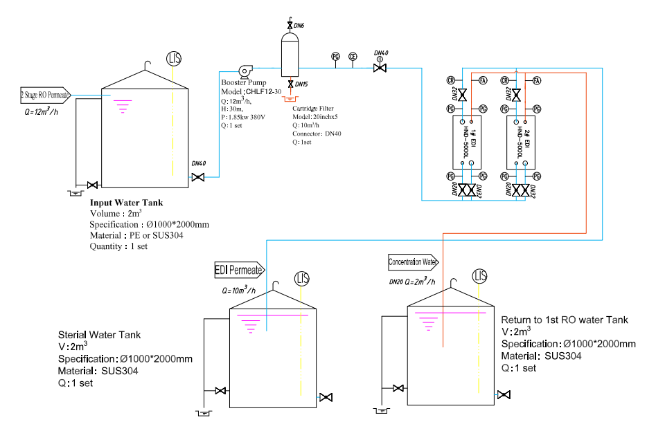
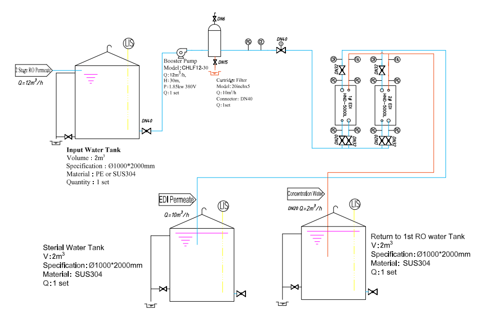
EDI Modular treatment Process:

The EDI Modular has many advantages:
* Remove expensive and hazardous chemicals used in ion-exchange resin regeneration
* Save energy and operating cost
* Low facility size requirement




