Application
EDI Electrodeionization Modules are useful for any application that requires constant and economic removal of water impurities without using dangerous chemical. Some examples are:
* Reuse of residual water in food and beverages industry
* Chemical production
* Biotechnology
* Electronics
* Cosmetic
* Laboratories
* Pharmaceutical industry
* Boiler Feed Water
* Reduction of ionizable SiO2 and TOC (total organic carbon)
For ease of design and additional confidence in your EDI Application, we offer quality assurance and performance guarantees.
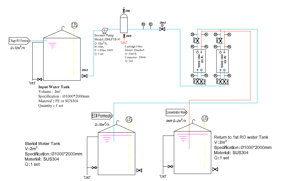
10m3/Hour EDI System treatment process








